PUSH-PULL CABLES & CONTROL SYSTEMS
+90 312 385 6 188

Products > Spirals > Spirals For Heavy MachinerySpirals > Special Spirals > Type D Standard Cap

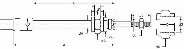
Type D Standard Cap

Type - D caps are very commonly used caps. They are used in double - acting spiral types produced by the KTS. Other type of caps which is recommended to be used with this cap is; its own type I dır.