PUSH-PULL CABLES & CONTROL SYSTEMS
+90 312 385 6 188

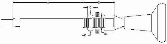
Products > Spirals > Spirals For Heavy MachinerySpirals > Special Spirals > Type G Standard Cap

Type G Standard Cap

Type - G caps are unlocked caps which are controlled manually. They are used in single and double - acting spiral types produced by the KTS. Other types of caps which are recommended to be used with this cap are; A, B, C, E, I.