PUSH-PULL CABLES & CONTROL SYSTEMS
+90 312 385 6 188

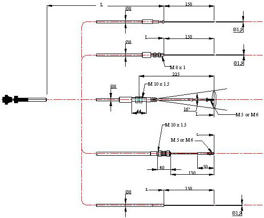
Products > Control Boxes > KT-005

It is an ideal control box for precision control by being turned to the right and left.

KT-005

USED CABLE TYPES