PUSH-PULL CABLES & CONTROL SYSTEMS
+90 312 385 6 188

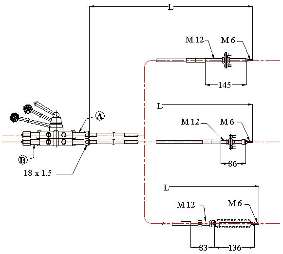
Products > Control Boxes > KT-016-001

It is a transit - mixer gas and hydraulic motor control box.
Outer Casing : Aluminum
Gear Set : Steel
Standard Stroke A : 120 mm
Standard Stroke B : 85 mm
Stroke can be increased up to 200 mm. as per customer's request.

KT-016-001

USED CABLE TYPES