PUSH-PULL CABLES & CONTROL SYSTEMS
+90 312 385 6 188

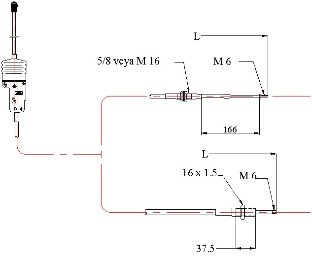
Products > Control Boxes > KT-025

It is an ideal control box for hydraulic valve controls.
Material : Zamak
Strok :25 mm

KT-025

USED CABLE TYPES