PUSH-PULL CABLES & CONTROL SYSTEMS
+90 312
385 6 188
TR
Home
Corporate
Introduction
Our Quality Policy
Our Quality Objectives
TUV Certificate
Our Partners
Products
Spirals
Control Boxes
Accessories
KTS INC. in the press
Daily
Catalog
Communication
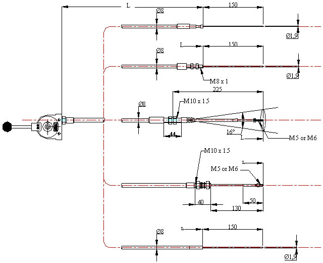
Products > Control Boxes > KT-031
BACK
It is an ideal control box for lower powers.
Outer Casing : Aluminum
Stroke : 93 mm
USED CABLE TYPES