PUSH-PULL CABLES & CONTROL SYSTEMS
+90 312 385 6 188

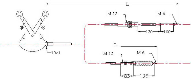
Products > Control Boxes > KT-035-002

It is an ideal general purpose control box. For hand gas pedal and other mechanical controls.
Outer Casing : Aluminum
Standard Stroke A : 100 mm.
Standard Stroke B : 100 mm.

KT-035-002

USED CABLE TYPES