İTME VE ÇEKME KUMANDA SPİRALLERİ
+90 312 385 6 188

Ürünler > Spiraller > Özel Spiraller > F Tipi Standart Başlık

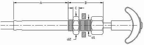
F Tipi Standart Başlık

F-Tipi başlıklar genelde elle kontrol edilen kontrollü başlık tipleridir. Sağ veya sola çevrildiğinde kilitlenirler,aksi yöne çevrildiğinde açılırlar.Bu başlıkla birlikte tavsiye edilen başlık tipleri A,B,C,E,I dır.