İTME VE ÇEKME KUMANDA SPİRALLERİ
+90 312 385 6 188

Ürünler > Spiraller > Özel Spiraller > G Tipi Standart Başlık

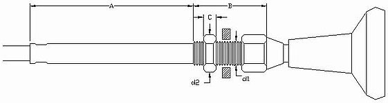
G Tipi Standart Başlık

G-Tipi başlıklar elle kontrol edilen kilitsiz başlık tipleridir. KTS'nin ürettiği çift ve tek etkili spiral tiplerinde kullanılırlar. Bu başlıkla birlikte çalışabilecek tavsiye edilen başlık tipleri A,B,C,E,I dır.