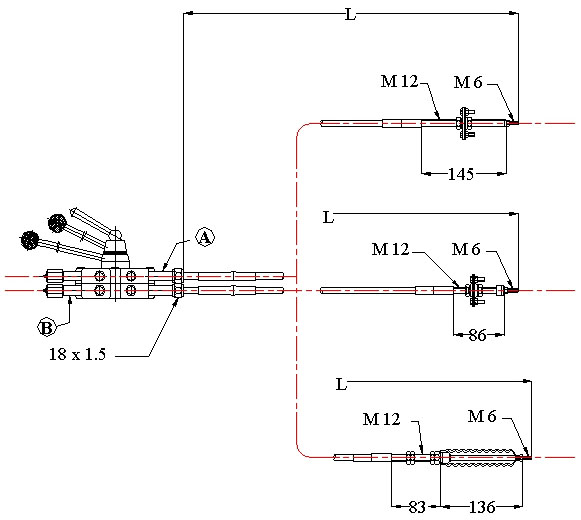
İTME VE ÇEKME KUMANDA SPİRALLERİ
+90 312 385 6 188

Ürünler > Kontrol Kutuları > KT-016-001

Transmikser gaz ve hidrolik motor kontrol kutusudur.
Dış Gövde : Alüminyum
Dişli Takımı : Çelik
Standart Strok A : 120 mm
Standart Strok B : 85 mm
Müşteri isteğine göre strok boyları 200 mm ye kadar arttırılabilir.

KT-016-001

KULLANILAN KABLO TİPLERİ