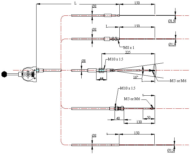
İTME VE ÇEKME KUMANDA SPİRALLERİ
+90 312 385 6 188

Ürünler > Kontrol Kutuları > KT-031

Düşük güçler için ideal kontrol kutusudur.
Dış Gövde : Alüminyum
Strok : 93 mm

KT-031

KULLANILAN KABLO TİPLERİ